Product Description:
CDN M4PE 63A 1000V is one of the four-wire conducted immunity coupling and decoupling network products produced by Schwarzbeck, Germany. Like other Schwarzbeck-CDN products, the test frequency is still maintained at 150kHz-230MHz, which is very suitable for the use of products with unshielded AC power cords and DC power cords to support such electronic products. Conducted common-mode immunity EMC test requirements according to IEC 61000-4-6 Appendix D.2.
The EUTTEST site was selling an older model a long time ago:CDN M4 63A 1000VIt adopts the structural design of three fire wires + one zero wire, while the new sale of M4PE type CDN is different that the fourth connector of M4PE is a ground port, i.e., three fire wires + one ground wire, so according to the actual installation harness of your product to correctly select the coupling decoupling network you need.
Technical parameters:
Product Specification Sheet:
“Reminder: swipe tables left and right”1000V DC
GB/T 17626.6
Common mode impedance:
The common mode impedance of this CDN is within the requirements of the IEC 61000-4-6 standard, as shown in the factory calibration test results below, and can be used for conducted immunity testing of all civilian products.
- 150 kHz - 24 MHz: 150 ±20
- 24 MHz - 80 MHz: 150 +60 / -45
- 80 MHz - 230 MHz: 150 ±60

Common Mode Impedance Factory Calibration Test Chart
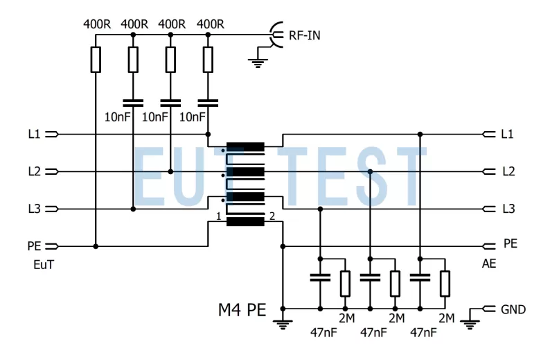
Circuit Design Principles:
As can be seen from the figure below, this product uses L1, L2, L3, PE four ports can be respectively through the 400R +10nF resistive components directly coupled to the RF interference signal to the cable, and the configuration of the decoupling network circuit, to prevent the interference to the power supply side or the surrounding test instruments, that is to say, only on the object to be measured have an impact.
So, if your product is suitable for this equipment, please contact us, we will provide you with professional technical service and favorable product quotation.

Circuit Design Schematic
Order No. EUTS0840
EUTTEST is an official authorized distributor of SCHWARZBECK, whose full official name is: SCHWARZBECK MESS - ELEKTRONIK OHG
Ltd. is authorized by schwarzbeck to sell all products in China and provide technical service for the products sold.

Schwarzbeck CDN and CDNE Coupling Decoupling Networks Schwarzbeck
CDN AF2 Schwarzbeck
CDN S25 SUBD Schwarzbeck
CDN M1 16A 1000V Schwarzbeck
CDN M3 32A 1000V Schwarzbeck
CDN M2 16A 1000V Schwarzbeck
CDN M2/M3PE 16A Schwarzbeck