Product Description:
The NNHV 8123R is a 5 µH || 50 Ω asymmetrical single-wire AMN-LISN product manufactured by Schwarzbeck, Germany, and is ideally suited for measuring conducted nuisance emissions from high-voltage shielded power supply lines of DUT EV or HEV products, meeting the requirements of CISPR25 ed4.0 and BMW GS 95025-1 standards. It meets the requirements of CISPR25 ed4.0 and BMW GS 95025-1 standards, and can be used for conducted nuisance voltages from 0.1MHz to 150MHz, as well as for BCI testing, but requires a 50 ohm load termination.

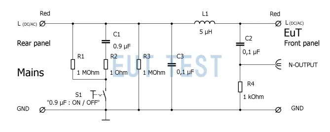
Impedance schematic
Using the KA 8125 option allows you to calibrate the input impedance of the 8123R as well as the voltage divider factor, typical EUT port input impedance is shown below.

EUT Port Input Impedance Diagram
A typical 8123R dividing factor diagram is shown below:

Partial pressure coefficient graph
Differences with 8123:
- Schwarzbeck also has a product model number forNNHV 8123The biggest difference between the two products is that the 8123R has a maximum measurable DC voltage of 1000V, which is less than the 1500V of the 8123 version.
- 8123R is for shielded cable; NNHV 8123 is for unshielded cable; if your product is low voltage, select theNNBM 8124 releases
Product Parameters:
“Reminder: swipe tables left and right”External 0.9μF
AC 50/60 Hz
AC 400 Hz
Remarks: HVSE 8600 - High Voltage Shielded Enclosures compliant with the latest version of CISPR25 ED4.0
Product usage precautions:
When using the 8123R and HVSE 8600 to measure conducted emissions on high voltage shielded cables, be sure to follow the EUTTEST training or the documentation provided with the instructions, otherwise there is a high voltage hazard. Also always pay attention to the following points to prevent abnormal test data.
- As a LISN must be properly grounded;
- Do not touch the metal case of the 8123R during measurement.
- Must be used in a high voltage shielded box;
- Shielded enclosure must be properly connected
Order No. EUTS0782
EUTTEST is an official authorized distributor of SCHWARZBECK, whose full official name is: SCHWARZBECK MESS - ELEKTRONIK OHG
Ltd. is authorized by schwarzbeck to sell all products in China and provide technical service for the products sold.

Schwarzbeck-lisn Product Catalog Schwarzbeck
NSLK 8128 Schwarzbeck
NNLK 8129 Schwarzbeck
NNLK 8121 Schwarzbeck
NSLK 8127 Schwarzbeck
NNLK 8130 Schwarzbeck
NNHV 8123-200 Schwarzbeck